网站公告列表     中国维修资源网提供汽车维修资料,手机维修资料,电脑主板|硬盘|显示器维修资料,笔记本维修资料,家电维修资料,数码相机|摄像机|MP3|MP4维修资料,复印机|打印机|传真机|一体机维修资料,电动自行车维修资料,维修手册,电路图,视频教村,原厂资料查询购买,免费下载!  [管理员  2007年9月21日]        
加入收藏
设为首页
联系站长
您现在的位置: 维修资源网 > 商城 > 机械设备 > 住友 SUMITOMO > 资料信息
专 题 资 料
特 价 资 料
普通资料 2022年4月利勃海尔起重机
固顶资料 2025年挖掘机工程机械电
固顶资料 2024年1000GB挖掘机维修
普通资料 2023年6月CLAAS WebTIC 
普通资料 2022年3月利勃海尔挖掘机
热 门 资 料
固顶资料 [卡特 CAT]CAT ET 2026年最新卡特检
固顶资料 [资料全套打包]2025年挖掘机工程机械电
固顶资料 [资料全套打包]2026年挖掘机工程机械维
固顶资料 [资料全套打包]2024年新款柴油发动机零
推荐资料 [汽车资料全套]2025年7月更新汽车配件目
固顶资料 [资料全套打包]2025年叉车电子零配件目
固顶资料 [重卡资料全套]2025年重卡沃尔沃奔驰曼
固顶资料 [汽车资料全套]2025年最新款汽车配件目
固顶资料 [汽车资料全套]2024年电动汽车、混合动
推荐资料 [小松 KOMATSU]2022年5月Komatsu Linko
普通资料 [X 小米电动汽车]2024年款小米SU7电动汽车
固顶资料 [资料全套打包]2024年1000GB挖掘机维修
固顶资料 [汽车资料全套]2023年6TB-12TB汽车维修
固顶资料 [飞机]飞机技术资料大全 飞机技
推荐资料 [林德 Linde]2021年11月林德叉车配件
推荐资料 [斯蒂尔 Still]2021年9月德国斯蒂尔STI
固顶资料 [沃尔沃 VOLVO PENTA]2021年10月VOLVO PENTA沃
推荐资料 [沃尔沃 VOLVO]沃尔沃工程机械挖掘机软
推荐资料 [德国曼 MAN]2020年7月MANTIS曼卡车客
推荐资料 [强鹿|约翰迪尔]2016年强鹿工程机械挖掘
推 荐 资 料
推荐资料 2015年KOBELCO EPC 神钢
固顶资料 CAT ET 2026年最新卡特检
推荐资料 2022年6月日立挖掘机约翰
推荐资料 2022年最新小松配件目录
固顶资料 2025年挖掘机工程机械电
固顶资料 2026年挖掘机工程机械维
固顶资料 2024年新款柴油发动机零
推荐资料 2025年7月更新汽车配件目
固顶资料 2025年叉车电子零配件目
推荐资料 2025新款卡特检测仪 CAT
固顶资料 2025年重卡沃尔沃奔驰曼
推荐资料 2023年5月宝马格压路机等
固顶资料 2025年最新款汽车配件目
固顶资料 2024年电动汽车、混合动
推荐资料 2022年5月Komatsu Linko
推荐资料 2024年款特斯拉TESLA MO
推荐资料 2023年款特斯拉TESLA MO
固顶资料 2024年1000GB挖掘机维修
推荐资料 2021年凯斯工程机械建筑
推荐资料 2023年新斯堪尼亚重卡专
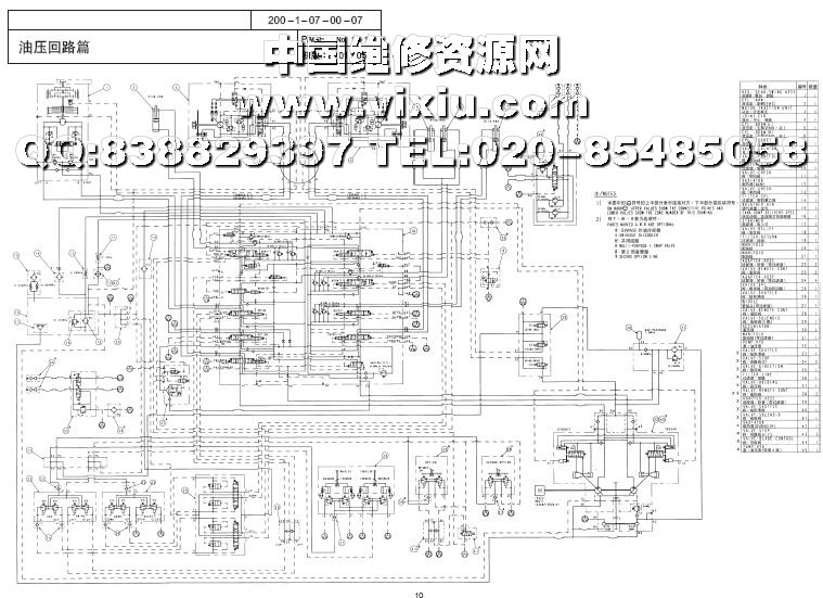
住友SH200-3G挖掘机维修资料手册详细资料

名 称: 住友SH200-3G挖掘机维修资料手册
编 号: 2009101609301345
点击数:
资料格式 资料大小
版本日期 资料语言
资料属性 推荐等级 ★★★
资料类型 正常销售商品 发布时间 2009/10/16 9:26:50
降价折扣 限购数量
优惠期限
购物积分 0分 库存数量
赠送点券 0点 返还现金券 0
促销方案:不促销
资料价格:市场价:¥80/本 商城价:¥80/本 会员价:¥50/本 优惠价:¥80/本
资料说明:

PDF电子文件,5MB,143页,在线发送

















资料简介:
PDF电子文件,5MB,143页,在线发送
相关资料:
2024年6月住友液压挖掘机操作手册、维修手册和零件手册
市场价:
商城价:¥1280
会员价:¥1200
住友-5-6挖掘机零件图册零部件手册全套实物图书共14本
市场价:
商城价:¥2800
2010年SUMITOMO EPC住友工程机械挖掘机配件目录零件手
市场价:
商城价:¥980
会员价:
2005住友工程机械挖掘机配件目录零件手册查询系统
市场价:
商城价:¥500
会员价:¥380
2012现代挖掘机与装载机维修手册及电路图液压图资料 H
市场价:
商城价:¥1500
会员价:¥1200
2012小松挖掘机配件目录系统零件查询软件
市场价:
商城价:¥800
会员价:¥780
住友工程机械|挖掘机配件目录 零件查询系统
市场价:
商城价:¥400
2010小松工程机械|挖掘机配件目录 零件查询系统
市场价:
商城价:¥800
会员价:¥780
挖掘机维修资料维修手册电路培训视频零件图册套餐(送
市场价:
商城价:¥5600
沃尔沃挖掘机培训资料全套
市场价:
商城价:¥100
会员价:¥80
网友评论:(评论内容只代表网友观点,与本站立场无关!)
购买指南
网上订购 电话订购
邮寄订购
订单查询 电话查询
传真查询
商品退换 客户回访
诚信安全
网上支付 邮政汇款
银行汇款
速递安排 送货上门
普通邮寄 EMS安排
商城简介 企业文化
联系方式
QQ微信同号:838829397 Email:www@vixiu.com
Copyright© 2007-2024vixiu .com 版权所有 维修资源网 粤ICP备2026024783号