网站公告列表     中国维修资源网提供汽车维修资料,手机维修资料,电脑主板|硬盘|显示器维修资料,笔记本维修资料,家电维修资料,数码相机|摄像机|MP3|MP4维修资料,复印机|打印机|传真机|一体机维修资料,电动自行车维修资料,维修手册,电路图,视频教村,原厂资料查询购买,免费下载!  [管理员  2007年9月21日]        
加入收藏
设为首页
联系站长
您现在的位置: 中国维修资源网官网 > 商城 > 汽车 > 汽车维修软件 > 维修资料软件 > 资料信息
专 题 资 料
特 价 资 料
固顶资料 2025年挖掘机工程机械电
热 门 资 料
固顶资料 [资料全套打包]2025年挖掘机工程机械电
固顶资料 [资料全套打包]2025年挖掘机工程机械维
固顶资料 [资料全套打包]2024年新款柴油发动机零
推荐资料 [汽车资料全套]2025年7月更新汽车配件目
固顶资料 [资料全套打包]2025年叉车电子零配件目
固顶资料 [重卡资料全套]2025年重卡沃尔沃奔驰曼
固顶资料 [汽车资料全套]2025年最新款汽车配件目
固顶资料 [汽车资料全套]2024年电动汽车、混合动
推荐资料 [小松 KOMATSU]2022年5月Komatsu Linko
普通资料 [X 小米电动汽车]2024年款小米SU7电动汽车
固顶资料 [卡特 CAT]CAT ET 2025年最新卡特检
固顶资料 [资料全套打包]2024年1000GB挖掘机维修
固顶资料 [汽车资料全套]2023年6TB-12TB汽车维修
固顶资料 [飞机]飞机技术资料大全 飞机技
推荐资料 [林德 Linde]2021年11月林德叉车配件
推荐资料 [斯蒂尔 Still]2021年9月德国斯蒂尔STI
固顶资料 [沃尔沃 VOLVO PENTA]2021年10月VOLVO PENTA沃
推荐资料 [沃尔沃 VOLVO]沃尔沃工程机械挖掘机软
推荐资料 [德国曼 MAN]2020年7月MANTIS曼卡车客
推荐资料 [强鹿|约翰迪尔]2016年强鹿工程机械挖掘
推 荐 资 料
固顶资料 2025年挖掘机工程机械电
固顶资料 2025年挖掘机工程机械维
固顶资料 2024年新款柴油发动机零
推荐资料 2025年7月更新汽车配件目
固顶资料 2025年叉车电子零配件目
推荐资料 2025新款卡特检测仪 CAT
固顶资料 2025年重卡沃尔沃奔驰曼
推荐资料 2023年5月宝马格压路机等
固顶资料 2025年最新款汽车配件目
固顶资料 2024年电动汽车、混合动
推荐资料 2022年5月Komatsu Linko
推荐资料 2024年款特斯拉TESLA MO
推荐资料 2023年款特斯拉TESLA MO
固顶资料 CAT ET 2025年最新卡特检
固顶资料 2024年1000GB挖掘机维修
推荐资料 2021年凯斯工程机械建筑
推荐资料 2023年新斯堪尼亚重卡专
固顶资料 2023年6TB-12TB汽车维修
固顶资料 飞机技术资料大全 飞机技
推荐资料 2023年10月新款日立工程
2008 ZF系列自动变速器维修资料大全(彩版PDF)详细资料

名 称: 2008 ZF系列自动变速器维修资料大全(彩版PDF)
编 号: 2009031022173775
点击数:
资料格式 资料大小
版本日期 资料语言
资料属性 热销商品 推荐等级 ★★★
资料类型 正常销售商品 发布时间 2009/3/10 22:15:01
降价折扣 限购数量
优惠期限
购物积分 0分 库存数量
赠送点券 0点 返还现金券 0
促销方案:不促销
资料价格:市场价:¥200/套 商城价:¥200/套 会员价:¥180/套 优惠价:¥200/套
资料说明:
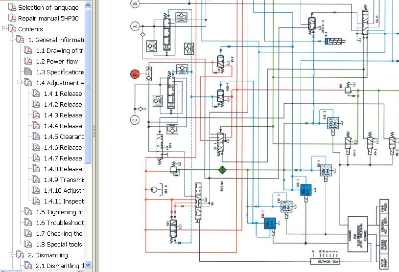
本资料包含ZF配件信息,油路图,维修信息含型号有4HP20E,5HP19E,5HP24E,5HP30e,6HP26e
ZF主要为世界顶尖品牌的汽车生产厂商(例如宝马、奥迪、保时捷等)配套。
ZF轿车自动变速箱的发展历史
1905年        ZF于成立,早在生产飞艇——齐柏林
1926年        开始量产标准汽车变速器
1934年        开始量产4速同步变速器
1950年        开始生产3档半自动变速器——3HM
1961年        开始生产2档自动变速器——2HP45
1965年        开始生产3档自动变速器——3HP12
1973年        开始生产3自动变速器——3HP22
1982年        开始生产4自动变速器——4HP18,22
1990年        开始生产5档自动变速器——5HP18
2001年        开始生产6档自动变速器——6HP26
宝马全系列产品均采用ZF自动及手动变速箱,下表为个系列车型不同平台所对应的变速箱型号。欲了解更详细ZF自动变速箱的信息,请拨打800-810-9669服务热线查询。

型号         1系         3系         5系         7系         8系         X5
5HP18                   E36         E34/39           E32/38                   
5HP18A                             E34                             
5HP19                   E46         E39         E38                   
5HP24                   E46         E39         E38         E31         
5HP30                             E34/39         E32/38         E31         
6HP19         E87                   E60                             
6HP26                             E60         E65/67                   
6HP26X                                                           E53
6HP32                                       E65                   
奥迪手自一体变速箱均选用ZF集团的产品,下表为个系列车型不同平台所对应的变速箱型号。欲了解更详细ZF自动变速箱的信息,请拨打800-810-9669服务热线查询。

型号        A4        A6        A6 Allroad        A8        S6        S8
5HP19FL        B5        C4                  D2                   
5HP19FLA        B5/B6        C4/C5        Hunter        D2                   
5HP24A                                      D2        C5         
6HP19A        B6        C6                  D3                   
6HP26A                                      D3                   
Jaguar全系列产品均采用ZF自动及手动变速箱,下表为个系列车型不同平台所对应的变速箱型号。欲了解更详细ZF自动变速箱的信息
      

型号        XK8        XJ8        S-type        Limousine
5HP24        X100        X300                  D2
6HP26        X103                  X202        X350

     保时捷全系列产品均采用ZF自动及手动变速箱,下表为个系列车型不同平台所对应的变速箱型号。欲了解更详细ZF自动变速箱的信息,请拨打800-810-9669服务热线查询。

型号        986        Boxter        996
5HP19FL                           
5HP19HL                           
5HP19HLA                           
目前ZF给大众配套的主要为帕萨特及辉腾两大车型。上海大众生产的Passat1.8T及2.8V6自动档车型全部采用ZF5HP手自一体变速箱。欲了解更详细ZF自动变速箱的信息,请拨打800-810-9669服务热线查询。

型号        Passat        Phaeton
5HP19FL                   
5HP19FLA                   
6HP19A                  D1
6HP32A                  D1 
 
















资料简介:
相关资料:
2024年9月ZF汽车卡车变速箱转向系统电子配件目录
市场价:
商城价:¥1300
会员价:¥1300
2023年5月ZF农业设备变速箱电子配件目录ZF Agricultur
市场价:
商城价:¥1280
会员价:
2022年9月ZF汽车转向系统配件目录零件图册ZF EPC
市场价:
商城价:¥1280
会员价:
ZF变速器所有型号全套资料ZF维修故障诊断配件培训手册
市场价:
商城价:¥1300
会员价:
瑞佩尔2013版汽车自动变速器维修资料系统 AAT_TIS V13
市场价:
商城价:¥400
会员价:¥400
2008 ZF InCat产品电子配件目录
市场价:¥500
商城价:¥300
会员价:¥300
2009汽车自动变速器维修资料大全
市场价:¥600
商城价:¥380
会员价:¥380
丰田A245E.A246E自动变速器维修资料手册
市场价:¥30
商城价:¥20
会员价:¥20
网友评论:(评论内容只代表网友观点,与本站立场无关!)
购买指南
网上订购 电话订购
邮寄订购
订单查询 电话查询
传真查询
商品退换 客户回访
诚信安全
网上支付 邮政汇款
银行汇款
速递安排 送货上门
普通邮寄 EMS安排
商城简介 企业文化
联系方式
QQ微信同号:838829397 Email:www@vixiu.com
Copyright© 2007-2024vixiu .com 版权所有 维修资源网 粤ICP备2026024783号