本站最新引进2007-2008款一汽丰田威驰,卡罗拉,普锐斯,广州丰田雅力士,汉兰达,酷路泽,丰田大霸王等车型维修资料,包括维修手册,电路图 [king 2008年10月16日]
官方微信
手机店
资料库
|
首页
|
汽车
|
重卡
|
发动机
|
工程机械
|
起重机
|
拖拉机
|
叉车
|
商城
|
书
|
资料库
|
支付
|
新站
|
您现在的位置:
维修资源网
>
汽车手册
> 文章正文
[组图]
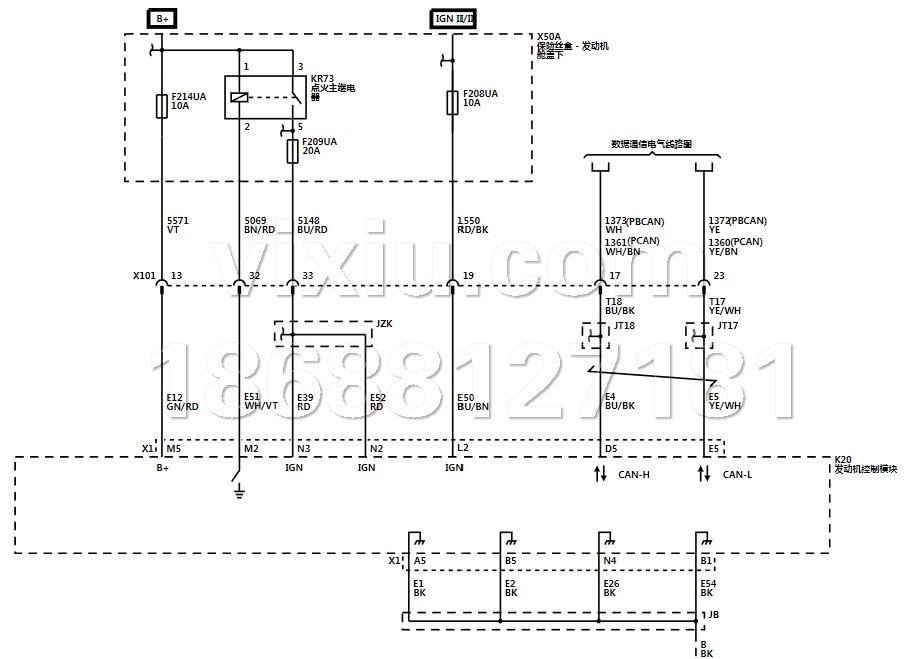
2021-2020年款五菱星辰汽车维修手册带电路图资料
热
★★★
2021-2020年款五菱星辰汽车维修手册带电路图资料
2021-2020年款五菱星辰汽车维修手册带电路图资料
作者:佚名 文章来源:中国维修资源网原创 点击数: 更新时间:2022-8-24 10:23:17
2021-2020年款五菱星辰汽车维修手册带电路图资料
文章录入:vixiu 责任编辑:vixiu
上一篇文章:
2021年款林肯航海家汽车维修手册带电路图资料
下一篇文章:
2021-2020年款五菱凯捷汽车维修手册带电路图资料
【字体:
小
大
】【
发表评论
】【
加入收藏
】【
告诉好友
】【
打印此文
】【
关闭窗口
】
专 题 栏 目
最 新 热 门
最 新 推 荐
相 关 文 章
2021-2020年款五菱凯捷汽
网友评论:
(只显示最新10条。评论内容只代表网友观点,与本站立场无关!)
|
设为首页
|
加入收藏
|
联系站长
|
友情链接
|
版权申明
|
网站公告
|
支付中心
|
联系我们
QQ微信同号:838829397 Email:www@vixiu.com
Copyright© 2007-2024
vixiu
.com 版权所有 维修资源网
粤ICP备11034860号