网站公告列表     本站最新引进2007-2008款一汽丰田威驰,卡罗拉,普锐斯,广州丰田雅力士,汉兰达,酷路泽,丰田大霸王等车型维修资料,包括维修手册,电路图  [king  2008年10月16日]        
加入收藏
设为首页
联系站长
您现在的位置: 维修资源网-专业提供配件目录零件图册维修手册维修资料技术图书培训多媒体课件视频教程检测仪 > 文章 > 文章正文
  [组图]重汽豪沃HW18710系列变速箱使用说明及备件图册         ★★★ 【字体:
重汽豪沃HW18710系列变速箱使用说明及备件图册
作者:佚名    文章来源:转载    点击数:    更新时间:2009-10-22    
HW18710变速器是重汽集团公司在数十年技术沉淀的基础上,精心打造的新一代重型汽车专用变速器,该变速器重汽集团公司拥有完全自主知识产权。变速器结构在国内外独树一帜,主箱采用双副轴结构,副箱采用行星减速结构,使承载能力更强,结构可靠。集成的小盖设计使挡位清晰、换挡灵活。
点击查看原图

    目前该变速器适用于功率范围在336~420马力之间的重型车用发动机,是目前中国重汽重型卡车的首选变速器。

●  警告

    为避免个人损伤或造成设备故障和损坏,请按指定程序操作变速器:

    在车辆起动前,驾驶员应坐在驾驶员座位上,将变速杆置于空挡,并使用手刹车;在车辆进行工作之前或发动机运转时离开驾驶室,应将变速杆置于空挡,并使用手刹车锁死车轮;当停放车辆或离开驾驶室时,应将变速杆置于空挡并使用手刹车。

    在车辆气压没有升至正确水平情况下千万不要释放手刹车进行换挡操作; 变速器处于空挡位置时千万不要长距离滑行;取力器操纵时,按下取力开关后,应立即将离合器踏板踩到底,稍等片刻,取力器正常工作后再松开。

●  HW18710系列变速器主要性能参数

点击查看原图

    注:1、质量中不包括润滑油和离合器分离装置;2、所指长度为离合器前止口端面到输出法兰端面;3、括号内加油量为加装取力器时的油量。

●  编号规则

点击查看原图

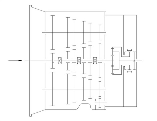
●  HW18710变速器总成主截面图(见图1):

点击查看原图

●  HW18710变速器外部连接尺寸图(见图2):

点击查看原图

●  HW18710系列变速器动力传递

    参考动力传递线路图(见图3):

点击查看原图

点击查看原图

    HW18710变速器各档位的动力传递路线如上图所示。

●  HW18710变速器结构

    HW18710变速器是由主箱、副箱两段式结构组成,主箱有5个前进挡,副箱有2个挡,一共组成10个前进挡和2个倒挡。

    1、HW18710变速器主箱、副箱结构

    HW18710变速器主箱结构采用双副轴结构,两根副轴相间180°,副箱采用行星减速机构。动力从输入轴输入后,分流到两根副轴上,然后汇集到主轴,最后通过副箱行星减速机构输出。

    在理论上每根副轴只传递1/2的扭矩,所以采用双副轴可以使变速器的中心距及齿轮厚度减小,从而缩短整个变速器的轴向长度,减轻变速器的重量。

    为了满足正确的啮合并使载荷尽可能地平均分配,主轴采用铰接式浮动结构,见图4。

点击查看原图

1.主轴,2.衬套,3.铰接球头,4.输出轴,5.轴承,6.输入轴

    因为主轴上各挡齿轮在主轴上浮动,这样就取消了传统的滚针轴承,使主轴总成的结构更简单。在工作时,两个副轴齿轮对主轴齿轮所施加的径向力大小相等,方向相反,从而使主轴只承受扭矩,不承受弯矩,改善了主轴和轴承的受力状况,大大提高了变速器的使用可靠性和寿命。

 &nb

[1] [2] [3] [4] [5] [6] 下一页

文章录入:PPPPP88    责任编辑:PPPPP88 
  • 上一篇文章:

  • 下一篇文章:
  • 最新热点 最新推荐 相关文章
    法士特变速箱维修使用手册资
    法士特变速箱与重汽变速箱技
    怎样更换法士特RT-11509系列
    ZFASTronic系列重型商用车自
    法士特双中间轴全同步器变速
      网友评论:(只显示最新10条。评论内容只代表网友观点,与本站立场无关!)
    QQ:712720680 712720681 712720682 手机微信同号:18688127181 Email:www@vixiu.com
    Copyright© 2007-2021vixiu .com 版权所有 维修资源网 粤ICP备11034860号