网站公告列表     本站最新引进2007-2008款一汽丰田威驰,卡罗拉,普锐斯,广州丰田雅力士,汉兰达,酷路泽,丰田大霸王等车型维修资料,包括维修手册,电路图  [king  2008年10月16日]        
加入收藏
设为首页
联系站长
您现在的位置: 维修资源网-汽车维修资料库-挖掘机维修资料-工程机械电子零配件目录-挖掘机发动机重卡车客车叉车资料 > 汽车手册 > 奇瑞 > 文章正文
  [组图]奇瑞风云轿车空调为何不凉故障         ★★★ 【字体:
奇瑞风云轿车空调为何不凉故障
作者:佚名    文章来源:转载    点击数:    更新时间:2008-5-7    

 

     一辆2004年款奇瑞风云7160轿车,行驶里程5万 km,车主反映在天气炎热时开空调,空调效果不好,出风口有时候吹冷风,有时候吹自然风,该车曾经在其他修理厂更换过制冷剂,但是问题没有解决。

     接车后,打开空调A/C开关和鼓风机开关,先检查空调压缩机电磁离合器,发现电磁离合器能够吸合。几分钟后,用手触摸空调低压管,感觉很凉,而且管道上还附有冷凝水珠,这就说明此时空调系统制冷功能正常,空调管路中加注的制冷剂没有问题。将手靠近仪表板上的出风口,感觉吹出来的风很凉,用数字测温计测量温度为7.8 ℃。虽然初步检查并没有发现问题,但是从车主反映的故障现象来分析,一会吹冷风,一会吹自然风,很像是空调系统管路内存在水气。因为如果制冷剂内混有水气,这些水气就会在膨胀阀处结冰,制冷剂的循环就会暂时停止,但是当空调管路内的温度升高后,结冰的水气就会融化,然后制冷剂又能恢复到循环工作状态,表现出来的故障现象就是间歇性制冷。那么该车会不会是冰堵了呢?为了更加准确地判断故障,笔者决定进行路试,以便观察故障出现时空调系统部件的变化。


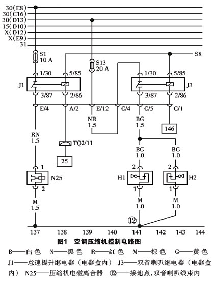
     在路试的过程中,刚开始时制冷效果很好,但是大概行驶了十几分钟后,出风口吹出来的风就不凉了。停车检查,发现空调低压管路上附有很多水珠,看样子刚才制冷效果还是很好的。但是用手触摸低压管时却发现低压管已经变得温热了,显然制冷剂已经停止了循环。查看空调压缩机电磁离合器,没有吸合,难怪不制冷了呢!拔下电磁离合器上的插头,检查电磁离合器的电源,结果没有电源。查看压缩机控制电路图(图1),从图中可以看到电磁离合器N25的电源是由中央电器盒内的怠速提升继电器J1和熔丝S1提供的。找到中央电器盒内的继电器J1,发现继电器J1焊接在中央电器盒内部的电路板上(图2),而电路板又是双层的,因此无法替换继电器J1进行试验,笔者只好先从其他好入手的地方检查。

图 1

图 2

     首先检查熔丝S1和熔丝S8(继电器J1的5/85脚电源),都没有发现问题。那么是发动机控制单元没有收到A/C开关信号,还是其他原因造成发动机控制单元没有对继电器的J1的2/86脚作出控制呢?于是,笔者插好空调压缩机电磁离合器N25的插头,起动发动机,打开空调开关和鼓风机开关,准备用故障诊断仪查看数据流,没想到这时电磁离合器又吸合了,这就奇怪了!刚才只是检查了熔丝S1和熔丝S8,并没有动其他地方,难道是熔丝接触不好吗?连接故障诊断仪,进入发动机系统读取有关空调的数据,结果显示A/C ON,压缩机继电器ON,这说明故障消失了,这样就不好检查了。于是决定再进行路试,这次带着故障诊断仪,以便观察故障出现时空调系统数据有何变化。行驶了十几分钟后,出风口吹出来的风又变得不凉了,查看故障诊断仪上有关空调系统的数据流,A/C ON,压缩机继电器ON。下车检查空调压缩机电磁离合器N25,果然没有吸合,这就证明了问题还是出在继电器J1或相关线路上。为了更快地排除故障,我们决定找2个检测点来检测继电器J1的吸合情况,首先拆下中央电器盒,不要拔下上面的插头,用1个试灯来检测中央电器盒的E/4脚电源,将1个带有330 Ω电阻的发光二极管的正极接在中央电器盒的C/4脚上,发光二极管的负极接在中央电器盒的A/2脚上,这样做的目的是为了检测发动机控制单元对继电器J1的控制。按照上述方法连接好后进行路试,笔者发现每当空调压缩机电磁离合器N25不吸合的时候,检测E/4脚的试灯都没有点亮,而检测A/2脚的发光二极管能够点亮,这就说明了问题出在中央电器盒内部,有可能是继电器J1的热稳定性不好造成间歇性工作。继电器长时间吸合后会发热,发热会导致继电器的线圈磁力减弱,导致开关触点断开,空调压缩机电磁离合器N25也随之断开。继电器J1断开一段时间后温度会下降,继电器的线圈磁力增加,开关触点又能够吸合,这就造成了空调系统间隙性工作的故障。
    由于继电器J1焊接在中央电器盒内部的电路板上,不能够单独更换,于是更换了中央电器盒总成。更换后进行了长时间的路试,再没有出现过间歇性制冷的故障。

 

文章录入:king    责任编辑:king 
  • 上一篇文章:

  • 下一篇文章:
  • 发表评论】【加入收藏】【告诉好友】【打印此文】【关闭窗口
    最新热点 最新推荐 相关文章
    没有相关文章
      网友评论:(只显示最新10条。评论内容只代表网友观点,与本站立场无关!)
    QQ微信同号:838829397 Email:www@vixiu.com
    Copyright© 2007-2022vixiu .com 版权所有 维修资源网 粤ICP备11034860号