网站公告列表     本站最新引进2007-2008款一汽丰田威驰,卡罗拉,普锐斯,广州丰田雅力士,汉兰达,酷路泽,丰田大霸王等车型维修资料,包括维修手册,电路图  [king  2008年10月16日]        
加入收藏
设为首页
联系站长
您现在的位置: 维修资源网-汽车维修资料库-挖掘机维修资料-工程机械电子零配件目录-挖掘机发动机重卡车客车叉车资料 > 汽车新能源手册 > F 丰田新能源 > 文章正文
  [组图]2019款雷凌维修手册丰田卡罗拉-雷凌e+插电混动汽车维修手册带电路图资料         ★★★ 【字体:
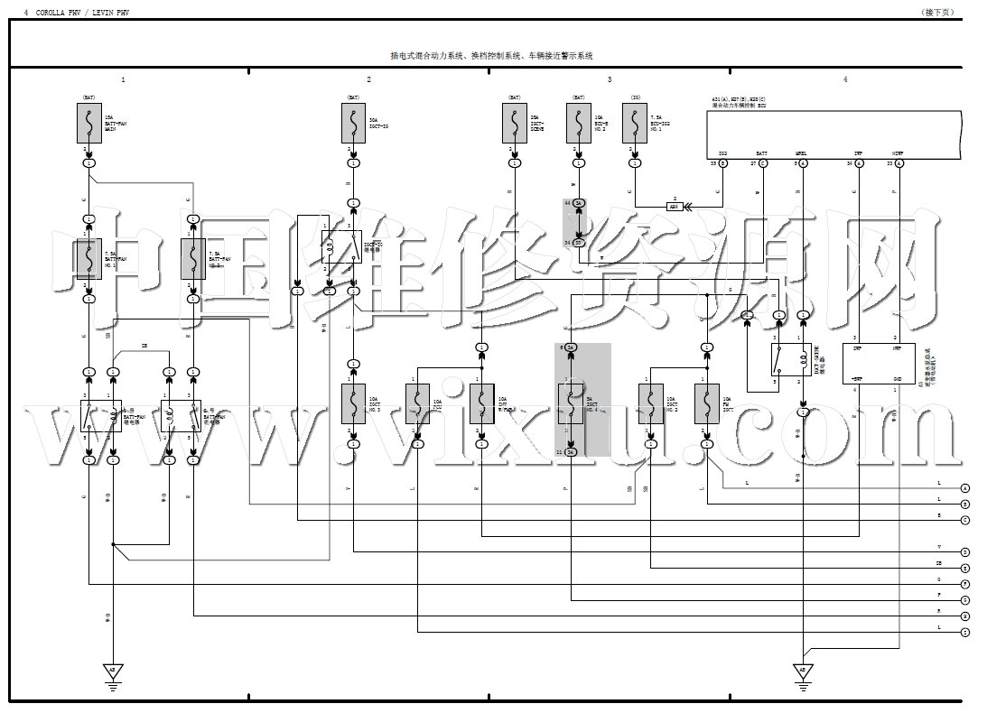
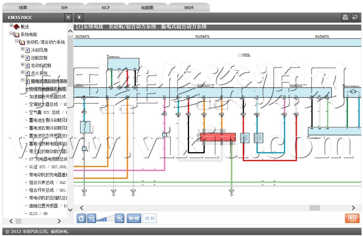
2019款雷凌维修手册丰田卡罗拉-雷凌e+插电混动汽车维修手册带电路图资料
2019款雷凌维修手册丰田卡罗拉-雷凌e+插电混动汽车维修手册带电路图资料
作者:vixiu    文章来源:维修资源网    点击数:    更新时间:2019-7-5    

2019款雷凌维修手册丰田卡罗拉-雷凌e+插电混动汽车维修手册带电路图资料

原厂电子资料,网页格式,在线发送或邮箱下载

















文章录入:PPPPP88    责任编辑:PPPPP88 
  • 上一篇文章:

  • 下一篇文章:
  • 发表评论】【加入收藏】【告诉好友】【打印此文】【关闭窗口
    最新热点 最新推荐 相关文章
    2019款丰田卡罗拉-雷凌e+插电
      网友评论:(只显示最新10条。评论内容只代表网友观点,与本站立场无关!)
    QQ微信同号:838829397 Email:www@vixiu.com
    Copyright© 2007-2022vixiu .com 版权所有 维修资源网 粤ICP备11034860号