网站公告列表     本站最新引进2007-2008款一汽丰田威驰,卡罗拉,普锐斯,广州丰田雅力士,汉兰达,酷路泽,丰田大霸王等车型维修资料,包括维修手册,电路图  [king  2008年10月16日]        
加入收藏
设为首页
联系站长
您现在的位置: 维修资源网-汽车维修资料库-挖掘机维修资料-工程机械电子零配件目录-挖掘机发动机重卡车客车叉车资料 > 汽车新能源手册 > 文章正文
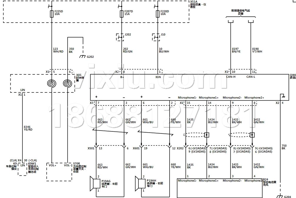
  [组图]2021-2020年款宝骏E300-E300P电动汽车维修手册带电路图资料           ★★★ 【字体:
2021-2020年款宝骏E300-E300P电动汽车维修手册带电路图资料
2021-2020年款宝骏E300-E300P电动汽车维修手册带电路图资料
作者:佚名    文章来源:中国维修资源网原创    点击数:    更新时间:2022-8-22    
 2021-2020年款宝骏E300-E300P电动汽车维修手册带电路图资料











文章录入:vixiu    责任编辑:vixiu 
  • 上一篇文章:

  • 下一篇文章:
  • 发表评论】【加入收藏】【告诉好友】【打印此文】【关闭窗口
    最新热点 最新推荐 相关文章
    2021-2019年款宝骏RS-3汽车维
    2021-2020年款宝骏RC-6汽车维
    2021-2020年款宝骏valli汽车
    2021-2020年款宝骏E300-E300
    2020年款名爵eHS插电混动汽车
    2020年款CLEVER科莱威EV360电
    2017-2016款宝骏新能源E100电
    2017-2016款宝骏新能源E100电
      网友评论:(只显示最新10条。评论内容只代表网友观点,与本站立场无关!)
    QQ微信同号:838829397 Email:www@vixiu.com
    Copyright© 2007-2022vixiu .com 版权所有 维修资源网 粤ICP备11034860号